J.R. Webster, Petrochemical & Industrial Fastener Supplies
J.R. Webster
U-Bolts
Our range of U-bolts is extensive:
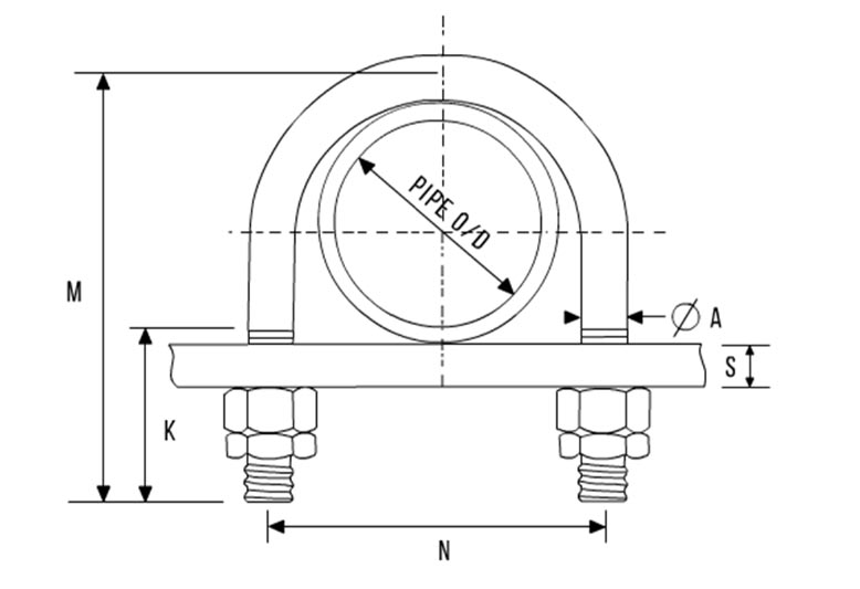
GRIP TYPE U-BOLTS
| NOM SIZE | PIPE 0/D | A (DIA) | N | M | K | S(MAX) |
| 15 | 21.3 | 8 | 30 | 50 | 25 | 7 |
| 20 | 26.9 | 8 | 35 | 60 | 25 | 10 |
| 25 | 33.7 | 8 | 45 | 65 | 25 | 10 |
| 32 | 42.4 | 8 | 55 | 75 | 25 | 10 |
| 40 | 48.3 | 10 | 60 | 90 | 35 | 16 |
| 50 | 60.3 | 10 | 75 | 199 | 35 | 16 |
| 65 | 76.1 | 12 | 90 | 130 | 45 | 19 |
| 80 | 88.9 | 16 | 105 | 150 | 50 | 19 |
| 100 | 114.3 | 16 | 135 | 175 | 50 | 19 |
| 125 | 139.7 | 16 | 160 | 200 | 50 | 19 |
| 150 | 168.3 | 20 | 190 | 235 | 55 | 19 |
| 175 | 193.7 | 20 | 215 | 260 | 55 | 19 |
| 200 | 219.1 | 20 | 245 | 295 | 55 | 19 |
| 225 | 244.5 | 20 | 270 | 310 | 55 | 19 |
| 250 | 273.0 | 20 | 300 | 350 | 60 | 22 |
| 300 | 323.9 | 20 | 350 | 400 | 60 | 22 |
| 350 | 355.6 | 24 | 385 | 440 | 65 | 22 |
| 400 | 406.4 | 24 | 435 | 500 | 65 | 22 |
| 450 | 457.0 | 24 | 485 | 540 | 70 | 22 |
| 500 | 508.0 | 24 | 540 | 600 | 70 | 22 |
| 550 | 559.0 | 24 | 590 | 650 | 70 | 22 |
| 600 | 610.0 | 24 | 640 | 700 | 70 | 22 |
All Dimensions in millimetres
Fi - Bright Zinc Plated (also available in Galvanised and Stainless Steel on request)
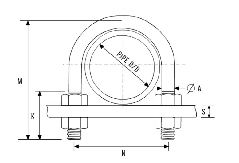
NON-GRIP TYPE U-BOLTS
| NOM SIZE | PIPE 0/D | A (DIA) | N | M | K | S(MAX) |
| 15 | 21.3 | 8 | 40 | 45 | 25 | 10 |
| 20 | 26.9 | 8 | 45 | 55 | 30 | 10 |
| 25 | 33.7 | 8 | 50 | 60 | 30 | 10 |
| 32 | 42.4 | 8 | 60 | 70 | 30 | 10 |
| 40 | 48.3 | 10 | 65 | 85 | 40 | 16 |
| 50 | 60.3 | 10 | 80 | 100 | 40 | 16 |
| 65 | 76.1 | 12 | 95 | 120 | 50 | 19 |
| 80 | 88.9 | 16 | 110 | 140 | 55 | 19 |
| 100 | 114.3 | 16 | 140 | 165 | 55 | 19 |
| 125 | 139.7 | 16 | 165 | 190 | 55 | 19 |
| 150 | 168.3 | 20 | 195 | 225 | 65 | 19 |
| 175 | 193.7 | 20 | 220 | 250 | 65 | 19 |
| 200 | 219.1 | 20 | 250 | 275 | 65 | 19 |
| 225 | 244.5 | 20 | 275 | 300 | 65 | 19 |
| 250 | 273.0 | 20 | 305 | 335 | 75 | 22 |
| 300 | 323.9 | 20 | 355 | 385 | 75 | 22 |
| 350 | 355.6 | 24 | 390 | 425 | 80 | 22 |
| 400 | 406.4 | 24 | 440 | 475 | 80 | 22 |
| 450 | 457.0 | 24 | 495 | 525 | 80 | 22 |
| 500 | 508.0 | 24 | 545 | 575 | 80 | 22 |
| 550 | 559.0 | 24 | 595 | 625 | 80 | 22 |
| 600 | 610.0 | 24 | 645 | 675 | 80 | 22 |